利用八通道示波器分析逆变器系统
一.引言
逆变器是一种将直流电转化为交流电的装置,广泛应用于电机、家电、太阳能光伏发电、风能发电等,特别是在近几年来,人们越来越关注生活的环境,清洁能源迅速发展,太阳能发电和风能发电, 在总体发电量中占的比例越来越高,其中使用的逆变器结构,也越来越复杂。本文将介绍逆变器的结构、类型,以及如何利用力科8 通道,12bit,1GHz 带宽,2.5GS/s,HDO8000 示波器测量逆变器系统。
二. 逆变器系统
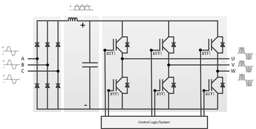
逆变器将直流电能转换为交流电能的变换装置,它由逆变桥、控制逻辑和滤波电路组成。如下图所示是一个常见的三相级联H 桥逆变器的结构图,它由两部分组成,前一部分是AC 到DC 的整流电路,后一部分是一个逆变器,三相输入交流电通过整流、滤波电路,变成DC,然后通过三个H 桥级联组成的逆变桥,通过PWM 控制芯片,控制功率晶体管上管和下管的导通和断开,将直流电压转化为交流电压

三相级联H 桥逆变器结构
三.逆变器测试遇到的问题
工程师在研发调试逆变器系统时,主要关注的测试点有如下几点:
1. 时序测试
在现在的逆变器系统中,通常都采用了H 桥级联的架构,使用了多于6 个功率晶体管,有多于6 个PWM 输入,他们之间的时序关系是怎样的? PWM 输入信号和输出信号的时序是什么样的? PWM 供电信号和PWM 信号的时序是什么样的?这些都是在系统调试分析的时候,工程师非常关心的这需要至少6 个通道的示波器,同时查看PWM输入信号和其他信号之间的关系,这是使用传统的4 通道示波器无法完成的,以前工程师有尝试将两台4 通道示波器级联起来分析多于4 路的信号,结构如下:

两台示波器级联
需要每台示波器的参考时钟同源,可以将一台示波器的参考时钟输出接到另外一台的输入另一方面需要同一个外部信号来触发两台示波器,这种级联的方法实现了通道数的增加,但是这种方法的缺点还是很明显的:
? 无法灵活设置触发
? 测试到的波形不能显示在同一个屏幕中
? 无法记录早期异常及失效瞬间所有波形
? 对出现频率较低的异常,难以复现
[page]
2.宽动态范围信号的测试
在实际的调试过程中,工程师需要检测输出信号是否正常,通常输出的交流电压信号从几百伏的电压跌落到0V 后,会有小于1V 的下冲,我们需要准确测试这个下冲的幅度,从大的动态范围中,准确识别小的信号,需要示波器有足够的分辨率,对功率器件的饱和压降分析的时候,也会遇到同样的问题,在做功率器件的饱和压降测试时,功率器件的饱和电压在100mV 左右,而关断时的Vds 电压是400V,要在这么大的动态范围中,准确识别出100mV 的信号,远远超出了8bit 示波器的分辨率,需要使用12bit 的ADC.

饱和压降Vds 测量
3. 电源纹波测量
准确测试直流信号的纹波,是工程师做电源分析时,最常做的测试,纹波的幅度一般都很小,一般在20mv 以内,这要求示波器本身的底噪要足够低,不会由于设备的原因,导致测试误差
四.力科逆变器测试方案HDO8000
力科针对逆变器测试,提供了HDO8000 示波器测试方案,HDO8000 具有8 个输入通道,配合力科提供的电压探头和电流探头,可以同时测试8 路信号,采用了力科专利的HD4096技术,它的ADC 位数达到12bit,比常规8bit 示波器的精度更高,示波器的底噪非常低,非常适合测试宽动态范围的信号和小信号。在高分辨率的同时还具备最高1GHz 带宽和2.5GS/s的高采样率。配合专门为多通道测试开发的新的软件,可以帮助工程师轻松完成逆变器系统的分析,下图是使用HDO8000 同时测试3 路电压信号和3 路电流信号。

使用HDO8000 示波器同时测试3 路电压信号和3 路电流信号
配备高压差分探头、电流探头和其他探头的HDO8000 示波器
暂无评论